DSSI – Olhal de Suspensão DSS
Descrição do produto
Os parafusos olhais tradicionais (também conhecidos como DIN 580) são destinados à elevação vertical: em um ângulo de 0° no sentido da tração. Eles são estritamente proibidos para levantamento em um ângulo de 90° no sentido da tração. Os olhais CODIPRO podem ser usados em qualquer tipo de situação de elevação, se há um ângulo ou uma elevação vertical, e/ou para todos os tipos de ancoragem. O projeto dos olhais CODIPRO giratórios permite operações a partir de qualquer ângulo. Pintado na cor laranja (RAL 2002), a cor é um sinal de segurança. Os olhais CODIPRO possuem:
> A conformidade com as diretivas da CE;
> Qualidade de aço de GRADUP;
> O torque de aperto recomendado;
> A marca do fabricante;
> Marcas de rastreabilidade de cada componente;
> O diâmetro do fio;
> A carga de trabalho;
> E… Um número de rastreabilidade individual.
Cada olhal possui o seu certificado de conformidade individual.
Ilustração da aplicação de olhais sem a condição giratória e de articulação:
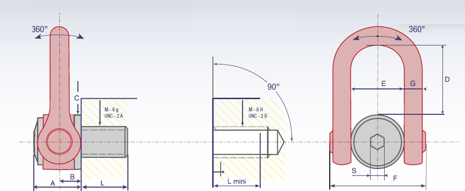
Dimensões
| Código de Referência | Carga Máxima de Trabalho (Ton) | Diâmetro | Dimensões (mm) | Peso (kg) | ||||||||
|---|---|---|---|---|---|---|---|---|---|---|---|---|
| L1 | S | A | B | C | D | E | F | G | ||||
| DSSI M 24 | 4,50 | M24 (x3) | 36 | 19 | 61 | 31 | 70 | 104 | 73 | 145 | 29 | 5,4 |
| DSSI M 30 | 7,30 | M30 (x3,5) | 45 | 19 | 61 | 31 | 70 | 104 | 73 | 145 | 29 | 5,5 |
| DSSI M 33 | 8,00 | M33 (x3,5) | 50 | 19 | 61 | 31 | 70 | 104 | 73 | 145 | 29 | 5,5 |
| DSSI M 36 | 10,00 | M36 (x4) | 54 | 19 | 61 | 31 | 70 | 104 | 73 | 145 | 29 | 5,5 |
| DSSI M 36x3 | 10,00 | M36 (x3) | 54 | 19 | 61 | 31 | 70 | 104 | 73 | 145 | 29 | 5,5 |
| DSSI M 39 | 10,00 | M39 (x4) | 58 | 19 | 61 | 31 | 70 | 104 | 73 | 145 | 29 | 5,7 |
| DSSI M 42 | 12,50 | M42 (x4,5) | 63 | 19 | 61 | 31 | 70 | 104 | 73 | 145 | 29 | 5,8 |
| DSSI M 42x3 | 12,50 | M42 (x3) | 63 | 19 | 61 | 31 | 70 | 104 | 73 | 145 | 29 | 5,8 |
| DSSI M 45 | 15,00 | M45 (x4,5) | 63 | 19 | 61 | 31 | 70 | 104 | 73 | 145 | 29 | 5,9 |
| DSSI M 48 | 20,00 | M48 (x8) | 68 | 19 | 79 | 38 | 90 | 125 | 91 | 184 | 36 | 11 |
| DSSI M 48x3 | 20,00 | M48 (x3) | 68 | 19 | 79 | 38 | 90 | 125 | 91 | 184 | 36 | 11 |
| DSSI M 48x4 | 20,00 | M48 (x4) | 68 | 19 | 79 | 38 | 90 | 125 | 91 | 184 | 36 | 11 |
| DSSI M 52 | 20,00 | M52 (x5) | 68 | 19 | 79 | 38 | 90 | 125 | 91 | 184 | 36 | 11,2 |
| DSSI M 56 | 25,00 | M56 (x5,5) | 78 | 19 | 79 | 38 | 90 | 125 | 91 | 184 | 36 | 11,3 |
| DSSI M 56x4 | 25,00 | M56 (x4) | 78 | 19 | 79 | 38 | 90 | 125 | 91 | 184 | 36 | 11,4 |
| DSSI M 64 | 32,10 | M64 (x6) | 90 | 19 | 79 | 38 | 95 | 125 | 91 | 184 | 36 | 12,2 |
| DSSI M 64x4 | 32,10 | M64 (x4) | 90 | 19 | 79 | 38 | 95 | 125 | 91 | 184 | 36 | 12,2 |
| DSSI M 72 | 25,0 | M72 (x6) | 90 | 19 | 79 | 38 | 95 | 125 | 91 | 184 | 36 | 14 |
| DSSI M 72x4 | 25,0 | M72 (x4) | 90 | 19 | 79 | 38 | 95 | 125 | 91 | 184 | 36 | 14 |
| DSSI M 80 | 32,10 | M80 (x6) | 90 | 19 | 79 | 38 | 95 | 125 | 91 | 184 | 36 | 15 |
| DSSI M 90 | 32,10 | M90 (x6) | 90 | 19 | 79 | 38 | 95 | 125 | 91 | 184 | 36 | 15,5 |
| DSSI M 100 | 32,10 | M100 (x6) | 90 | 19 | 79 | 38 | 95 | 125 | 91 | 184 | 36 | 16,5 |
| DSSI U 100 | 4,50 | UNC 1'' - 8 | 36 | 19 | 61 | 31 | 70 | 104 | 73 | 145 | 29 | 5,4 |
| DSSI U 125 | 6,40 | UNC 1''1/4 - 7 | 45 | 3/4'' | 61 | 31 | 70 | 104 | 73 | 145 | 29 | 5,4 |
| DSSI U 138 | 9,10 | UNC 1''3/8 - 6 | 54 | 3/4'' | 61 | 31 | 70 | 104 | 73 | 145 | 29 | 5,4 |
| DSSI U 150 | 9,10 | UNC 1''1/2 - 6 | 54 | 3/4'' | 61 | 31 | 70 | 104 | 73 | 145 | 29 | 5,4 |
| DSSI U 200 | 22,70 | UNC 2'' - 4 1/2 | 76 | 3/4'' | 79 | 38 | 90 | 125 | 91 | 184 | 33 | 11,1 |
| DSSI U 250 | 25,00 | UNC 2''1/2 - 4 | 90 | 19 | 79 | 38 | 95 | 125 | 91 | 184 | 36 | 12,2 |
Fator de Segurança 4:1
| Código de Referência | Aplicação / Capacidade (ton.) | |||||||
|---|---|---|---|---|---|---|---|---|
![]() | ![]() | ![]() | ![]() | ![]() | ![]() |
|||
| 0º | 0º | 90º | 90º | 0º a 45º | 46º a 60º | 0º a 45º | 46º a 60º | |
| DSSI M 24 | 4,5 | 9,00 | 4,50 | 9,00 | 6,30 | 4,50 | 9,50 | 4,50 |
| DSSI M 30 | 7,30 | 14,60 | 7,30 | 14,60 | 10,20 | 7,30 | 15,30 | 7,30 |
| DSSI M 33 | 8,00 | 16,00 | 8,00 | 16,00 | 11,20 | 8,00 | 16,80 | 8,00 |
| DSSI M 36 | 10,00 | 20,00 | 10,00 | 20,00 | 14,00 | 10,00 | 21,00 | 10,00 |
| DSSI M 36x3 | 10,00 | 20,00 | 10,00 | 20,00 | 14,00 | 10,00 | 21,00 | 10,00 |
| DSSI M 39 | 10,00 | 20,00 | 10,00 | 20,00 | 14,00 | 10,00 | 21,00 | 10,00 |
| DSSI M 42 | 12,50 | 25,00 | 12,50 | 25,00 | 17,50 | 12,50 | 26,30 | 12,50 |
| DSSI M 42x3 | 12,50 | 25,00 | 12,50 | 25,00 | 17,50 | 12,50 | 26,30 | 12,50 |
| DSSI M 45 | 15,00 | 30,00 | 15,00 | 30,00 | 21,00 | 15,00 | 31,50 | 15,00 |
| DSSI M 48 | 20,00 | 40,00 | 20,00 | 40,00 | 28,00 | 20,00 | 42,00 | 20,00 |
| DSSI M 48x3 | 20,00 | 40,00 | 20,00 | 40,00 | 28,00 | 20,00 | 42,00 | 20,00 |
| DSSI M 48x4 | 20,00 | 40,00 | 20,00 | 40,00 | 28,00 | 20,00 | 42,00 | 20,00 |
| DSSI M 52 | 20,00 | 40,00 | 20,00 | 40,00 | 28,00 | 20,00 | 42,00 | 20,00 |
| DSSI M 56 | 25,00 | 50,00 | 25,00 | 50,00 | 35,00 | 25,00 | 52,50 | 25,00 |
| DSSI M 56x4 | 25,00 | 50,00 | 25,00 | 50,00 | 35,00 | 25,00 | 52,50 | 25,00 |
| DSSI M 64 | 32,10 | 64,20 | 32,10 | 64,20 | 44,90 | 32,10 | 67,40 | 32,10 |
| DSSI M 64x4 | 32,10 | 64,20 | 32,10 | 64,20 | 44,90 | 32,10 | 67,40 | 32,10 |
| DSSI M 72 | 25,00 | 50,00 | 25,00 | 50,00 | 35,00 | 25,00 | 52,50 | 25,00 |
| DSSI M 72x4 | 25,00 | 50,00 | 25,00 | 50,00 | 35,00 | 25,00 | 52,50 | 25,00 |
| DSSI M 80 | 32,10 | 64,20 | 32,10 | 64,20 | 44,90 | 32,10 | 67,40 | 32,10 |
| DSSI M 90 | 32,10 | 64,20 | 32,10 | 64,20 | 44,90 | 32,10 | 67,40 | 32,10 |
| DSSI M 100 | 32,10 | 64,20 | 32,10 | 64,2 | 44,90 | 32,10 | 67,40 | 32,10 |
| DSSI U 125 | 6,35 | 12,70 | 6,35 | 12,70 | 8,89 | 6,35 | 13,33 | 6,35 |
| DSSI U 138 | 9,07 | 18,14 | 9,07 | 18,14 | 12,70 | 9,07 | 19,05 | 9,07 |
| DSSI U 150 | 9,07 | 18,14 | 9,07 | 18,14 | 12,70 | 9,07 | 19,05 | 9,07 |
| DSSI U 200 | 22,67 | 45,35 | 22,67 | 45,35 | 31,75 | 22,67 | 47,62 | 22,67 |
| DSSI U 250 | 24,94 | 49,89 | 24,94 | 49,89 | 34,92 | 24,94 | 52,38 | 24,94 |



